
Левая колонка
Фильтр
поделился публикацией
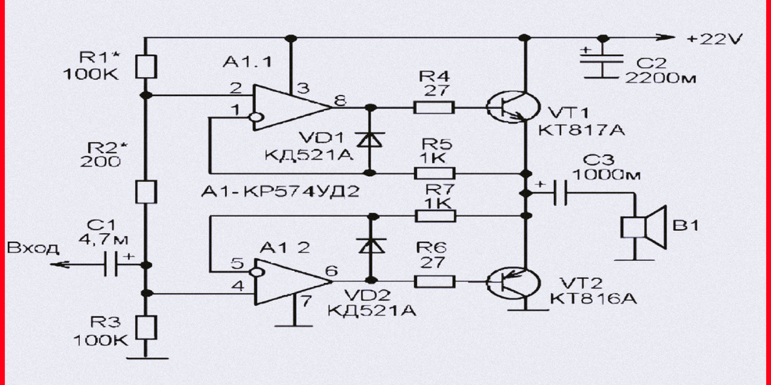
Усилитель универсальный
Предлагаю, усь построен на двух транзисторах и операционном усилителе (ОУ) КР574УД2. На изображении представлена двухтактная схема УМЗЧ, где каждое плечо состоит из: простота конструкции и настройки; высокая эффективность (двухтактный каскад); низкие искажения при правильной балансировке; доступность компонентов. необходимость ручной настройки тока покоя; чувствительность к разбалансу плеч (может вызвать искажения типа "ступенька"); ограниченная мощность (до 6 Вт). Схема усилителя на КР574УД2 и двух транзисторах - отличный пример сочетания простоты и эффективности. Она позволяет получить качественный звук с минимальными искажениями при доступной стоимости компонентов. Подходит как для начинающих радиолюбителей, так и для опытных энтузиастов, желающих собрать компактный и надёжный усилитель своими руками. Просьба не ругайтесь в комментариях, приятного вам общения. С уважением Andrey774.
Показать еще
9 комментариев
3 раза поделились
46 классов
- Класс
Поделился видео
02:40
2 комментария
1 раз поделились
1 класс
Поделился видео
02:40
0 комментариев
1 раз поделились
0 классов
- Класс
На этом пока всё
Войдите в ОК, чтобы посмотреть всю ленту
269
- Татьяна Келлерг. Кинешма (Кинешемский район)
- Наталья Пахомова (Савченко)Кинешма
- Евгений Стрункинг. Кинешма (Кинешемский район)
- Банкетный зал У МИХАЛЫЧАг. Кинешма (Кинешемский район)
- Кристина КочмарикМосква
98
- ТВОЯ ПЛАНЕТА3278 подписчиков
- UN7BV. Радиолюбительская Rx-Tx аппаратура16533 подписчика
- ЖИЗНЬ ТАКАЯ126482 подписчика
- Музыка. История, открытия, мифы55638 подписчиков
- Лица ушедших времен Фотоистории3046 подписчиков